Одноступенчатый центробежный насос с сухим ротором блочного типа для установки на фундаменте. Блочное исполнение с низким уровнем шума и вибрации с промежуточным корпусом и неподвижно присоединенным унифицированным (стандартным) электродвигателем. С не зависящим от направления вращения сильфонным скользящим торцевым уплотнением с принудительным омыванием (начиная с исполнения «37 кВт/4 полюса» — опционально с картриджным торцевым уплотнением в системе Back-Pull-Out для замены скользящего торцевого уплотнения без демонтажа электродвигателя) и снижающим кавитацию рабочим колесом. Фланцы со штуцерами для измерения давления R 1/8. На корпус насоса и соединительную скобу нанесено катафорезное покрытие.
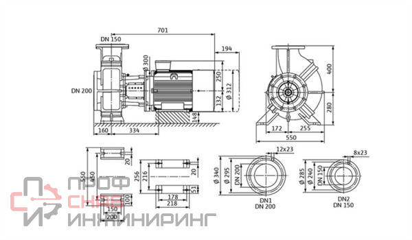
| Номинальный диаметр (DN), мм | 150 |
| Максимальное рабочее давление, бар | 16 |
| Серия | BL |
| Масса нетто, кг | 222 |
| Максимальная температура перекачиваемой жидкости, °С | 140 |
| Конструкционный тип | Горизонтальный |
| Количество ступеней | Одноступенчатый |
| Габариты без упаковки, см | 86.1x55x68 |
| Максимальная потребляемая мощность, Вт | 7500 |
| Тип ротора | Сухой |
| Номинальный ток, А | 15.8 |
| Вид насоса | Центробежный |
| Тип насоса | Поверхностный |
| Количество насосов | Одинарный |
| Напряжение питания, В | 380..420 |
| Максимальный расход Qmax, м³/ч | 420 |
| Максимальный напор, м.вод.ст. | 10.1 |
| Частота тока, Гц | 50 |
| Минимальная температура перекачиваемой жидкости, °С | -20 |
| Присоединение на напорной стороне | Фланцевое DN150 |
| Присоединение на всасывающей стороне | Фланцевое DN200 |
| Перекачиваемая жидкость | Вода |
| Корпус (материал) | Чугун |
| Рабочее колесо (материал) | Чугун |
| Вал (материал) | Сталь |
| Класс нагревостойкости изоляции | F |
| Класс защиты | IP 55 |
| Количество скоростных режимов | 1 |
| Наличие частотного преобразователя | Нет |
| Тип электродвигателя | Трехфазный |
* Не является публичной офертой, в соответствии с Соглашением об использовании сайта. Фактическую цену, актуальное наличие, а также иные детали уточнит наш менеджер при рассмотрении Вашей заявки.