Широкая линейка итальянских насосов Ebara EVM включает в себя более 1000 моделей агрегатов, которые различаются по материалу исполнения (EVMSG – чугун, EVMS – нерж. сталь), по типу присоединения трубопровода (круглый (F), либо овальный фланец (N)), по материалу уплотнения вала, по числу фаз электродвигателя. В стандартном исполнении насосы применяются для перекачивания жидкости температурой до +120 гр.С, при использовании специальных торцевых уплотнений до +140 гр.С. Рабочие колеса изготавливаются по специальной технологии, которая позволяет снизить осевые нагрузки до минимума, что обеспечивает длительный срок службы подшипникам насоса.
| Номинальный диаметр (DN), мм | 25 |
| Максимальное рабочее давление, бар | 16 |
| Серия | EVMSG3 |
| Масса нетто, кг | 31 |
| Максимальная температура перекачиваемой жидкости, °С | 120 |
| Конструкционный тип | Вертикальный |
| Количество ступеней | Многоступенчатый |
| Габариты без упаковки, см | 16x16x64.3 |
| Максимальная потребляемая мощность, Вт | 750 |
| Номинальный ток, А | 3 |
| Вид насоса | Центробежный |
| Тип насоса | Поверхностный |
| Количество насосов | Одинарный |
| Напряжение питания, В | 380..420 |
| Максимальный расход Qmax, м³/ч | 4.5 |
| Максимальный напор, м.вод.ст. | 4.5 |
| Частота тока, Гц | 50 |
| Минимальная температура перекачиваемой жидкости, °С | -30 |
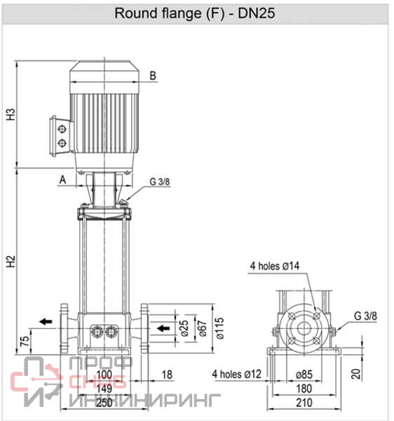
| Присоединение на напорной стороне | Фланцевое DN25 |
| Присоединение на всасывающей стороне | Фланцевое DN25 |
| Перекачиваемая жидкость | Вода |
| Корпус (материал) | Нержавеющая сталь |
| Рабочее колесо (материал) | Нержавеющая сталь |
| Вал (материал) | AISI 304 |
| Класс нагревостойкости изоляции | F |
| Класс защиты | IP 55 |
| Количество скоростных режимов | 1 |
| Тип электродвигателя | Трехфазный |
* Не является публичной офертой, в соответствии с Соглашением об использовании сайта. Фактическую цену, актуальное наличие, а также иные детали уточнит наш менеджер при рассмотрении Вашей заявки.