Насосы серии NS - это одноступенчатые горизонтальные центробежные насосы. Используется в частных домах и легкой промышленности для водоснабжения и повышения давления.Основное применение: холодное водоснабжение, ирригация.Корпус насоса и опора двигателя выполнены из чугуна, обработанного антикоррозионным покрытием. Рабочие колеса выполнены из технополимера или чугуна. Торцевое уплотнение, пара трения которого изготовлена из графита/ керамики, расположено на удлинении ротора из нержавеющей стали. Асинхронный электродвигатель охлаждается внешним вентилятором. Ротор установлен на больших, смазанных и герметизированных на весь срок службы шариковых подшипниках, подобранных таким образом, чтобы обеспечивать долгий срок службы.Однофазные электродвигатели оборудуются встроенным тепловым реле защиты и кондесатором. Насосы с трех- фазными электродвигателями должны подключаться к защитным автоматам, отрегулированным в соответствии с параметрами тока, указанными на фирменной табличке электродвигателя.
| Номинальный диаметр (DN), мм | 25 |
| Максимальное рабочее давление, бар | 6 |
| Серия | NS |
| Масса нетто, кг | 9.9 |
| Максимальная температура перекачиваемой жидкости, °С | 50 |
| Конструкционный тип | Горизонтальный |
| Количество ступеней | Одноступенчатый |
| Габариты без упаковки, см | 20.5x16x27.5 |
| Максимальная потребляемая мощность, Вт | 650 |
| Номинальный ток, А | 3 |
| Вид насоса | Центробежный |
| Тип насоса | Поверхностный |
| Количество насосов | Одинарный |
| Напряжение питания, В | 210..240 |
| Максимальный расход Qmax, м³/ч | 6.5 |
| Максимальный напор, м.вод.ст. | 22 |
| Частота тока, Гц | 50 |
| Минимальная температура перекачиваемой жидкости, °С | -10 |
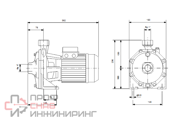
| Присоединение на напорной стороне | G 1 |
| Присоединение на всасывающей стороне | G 1 |
| Перекачиваемая жидкость | Вода |
| Корпус (материал) | Чугун |
| Рабочее колесо (материал) | Композит |
| Класс нагревостойкости изоляции | F |
| Класс защиты | IP 44 |
| Тип электродвигателя | Однофазный |
* Не является публичной офертой, в соответствии с Соглашением об использовании сайта. Фактическую цену, актуальное наличие, а также иные детали уточнит наш менеджер при рассмотрении Вашей заявки.