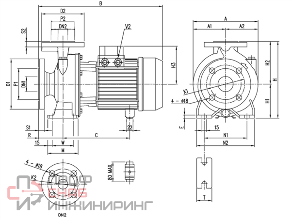
Стандартный чугунный насос с рабочим колесом из стали AISI 304 и AISI 316, осевым входом и радиальным выходом, 2- или 4-полюсными двигателями. Предусмотрена возможность снятия двигателя с муфтой, консольной опорой и рабочим колесом без отсоединения всего насоса от трубопровода. Тип торцового уплотнения выбирается с учетом перекачиваемой жидкости, рабочей температуры или иных факторов.
| Номинальный диаметр (DN), мм | 32 |
| Максимальное рабочее давление, бар | 10 |
| Серия | 3D |
| Масса нетто, кг | 34 |
| Максимальная температура перекачиваемой жидкости, °С | 120 |
| Конструкционный тип | Горизонтальный |
| Количество ступеней | Одноступенчатый |
| Максимальная потребляемая мощность, Вт | 1500 |
| Тип ротора | Сухой |
| Номинальный ток, А | 5,8 |
| Вид насоса | Центробежный |
| Тип насоса | Поверхностный |
| Количество насосов | Одинарный |
| Напряжение питания, В | 380..420 |
| Максимальный расход Qmax, м³/ч | 20 |
| Максимальный напор, м.вод.ст. | 27 |
| Частота тока, Гц | 50 |
| Минимальная температура перекачиваемой жидкости, °С | -5 |
| Присоединение на напорной стороне | Фланцевое DN32 |
| Присоединение на всасывающей стороне | Фланцевое DN50 |
| Перекачиваемая жидкость | Вода |
| Корпус (материал) | Серый чугун |
| Рабочее колесо (материал) | Нержавеющая сталь |
| Вал (материал) | AISI 304 |
| Класс нагревостойкости изоляции | F |
| Класс защиты | IP 55 |
| Количество скоростных режимов | 1 |
| Наличие частотного преобразователя | Да |
| Тип электродвигателя | Трехфазный |
* Не является публичной офертой, в соответствии с Соглашением об использовании сайта. Фактическую цену, актуальное наличие, а также иные детали уточнит наш менеджер при рассмотрении Вашей заявки.