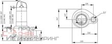
Полностью затапливаемый погружной дренажный насос для мобильной установки в погруженном состоянии для перекачивания загрязненной воды и сточных вод без содержания фекалий (область применения согласно EN 12050-2). Гидравлический корпус и рабочее колесо из синтетического материала, корпус электродвигателя из нержавеющей стали. Двигатель с поверхностным охлаждением в однофазном исполнении, со встроенным рабочим конденсатором, камерой уплотнений и автоматическим датчиком контроля температуры обмотки электродвигателя. Кабель электропитания длиной 10 м с установленной вилкой с заземляющим контактом и поплавковым выключателем для автоматического контроля уровня. Уплотнение со стороны перекачиваемой жидкости и со стороны электродвигателя осуществляется двумя скользящими торцевыми уплотнениями независимо от направления вращения.
| Максимальное рабочее давление, бар | 1.89 |
| Серия | Padus UNI |
| Габариты в упаковке, см | 40x30x80 |
| Масса брутто, кг | 21 |
| Масса нетто, кг | 19 |
| Максимальная температура перекачиваемой жидкости, °С | 40 |
| Конструкционный тип | Вертикальный |
| Габариты без упаковки, см | 33.3x24.7x52.3 |
| Максимальная потребляемая мощность, Вт | 1590 |
| Номинальный ток, А | 7.2 |
| Вид насоса | Центробежный |
| Тип насоса | Погружной |
| Количество насосов | Одинарный |
| Частота тока, Гц | 50 |
| Минимальная температура перекачиваемой жидкости, °С | 3 |
| Перекачиваемая жидкость | Вода |
| Рабочее колесо (материал) | Полимер |
| Вал (материал) | Нержавеющая сталь |
| Класс нагревостойкости изоляции | F |
| Класс защиты | IP 68 |
| Наличие частотного преобразователя | Нет |
| Стандарт трубного присоединения | Резьбовое |
| Выход насоса (мм) | 50 |
| Максимальная глубина установки, м | 7 |
* Не является публичной офертой, в соответствии с Соглашением об использовании сайта. Фактическую цену, актуальное наличие, а также иные детали уточнит наш менеджер при рассмотрении Вашей заявки.