Основные характеристики NMT SMART F: -энергоэффективный электродвигатель с электронной коммутацией на основе постоянных магнитов (технология ECM);-светодиодный дисплей для управления;-автоматический режим- оперативная адаптация к особенностям системы;-пропорционально регулируемое и постоянное давление; постоянная скорость; ночной режим;-встроенная электрозащита;-простое управление и монтаж; низкий уровень шума при работе и автоматическое удаление воздуха; -качественное компактное исполнение, обеспечивающее продолжительный срок службы.-возможность подключения модуля связи NMTC (опция): Ethernet, Modbus RTU, аналоговый вход управления 0–10 В, 3 аналоговых входа/выхода, 1 релейный выход. Допустимые рабочие среды: вода, водно-гликолевые смеси; при содержании гликоля более 20 % следует уточнить гидравлическую характеристику и требуемую мощность насоса. Чистые невзрывоопасные жидкие среды без содержания минеральных масел и твердых частиц. Температура рабочей среды от +10 °C до +110°C, максимальная температура окружающей среды 40 °C.
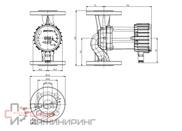
| Номинальный диаметр (DN), мм | 32 |
| Максимальное рабочее давление, бар | 10 |
| Серия | NMT SMART |
| Масса брутто, кг | 7.5 |
| Масса нетто, кг | 6.4 |
| Максимальная температура перекачиваемой жидкости, °С | 110 |
| Максимальная потребляемая мощность, Вт | 90 |
| Тип ротора | Мокрый |
| Номинальный ток, А | 0.75 |
| Вид насоса | Центробежный |
| Тип насоса | Поверхностный |
| Напряжение питания, В | 210..240 |
| Частота тока, Гц | 50 |
| Минимальная температура перекачиваемой жидкости, °С | -10 |
| Перекачиваемая жидкость | Вода |
| Корпус (материал) | Чугун |
| Рабочее колесо (материал) | Полимер |
| Класс нагревостойкости изоляции | F |
| Класс защиты | IP 44 |
| Количество скоростных режимов | 1 |
| Наличие частотного преобразователя | Да |
| Монтажная длина, мм | 220 |
* Не является публичной офертой, в соответствии с Соглашением об использовании сайта. Фактическую цену, актуальное наличие, а также иные детали уточнит наш менеджер при рассмотрении Вашей заявки.